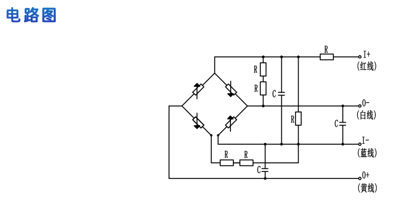
· 全316L不锈钢外壳
· 使用德国进口芯片,性能稳定
· 使用可食用硅油注油,可使用于食品、医疗、药业等行业
· 无腔平面设计,方便拆卸清洗
性能参数
测试条件:温度(20~30℃),供电(1.5mA)
参数 | |
供电 | 1.5mA恒流供电 |
量程 | -100kPa...0~10kPa...6MPa |
非线性 | 0.25%FS |
零点输出 | ±2mV |
满程输出 | ≥40mV(10kPa);≥60mV(其他量程) |
零点温漂 | <1%FS |
灵敏度温漂 | <1%FS |
绝缘电阻 | ≥200MΩ(250VDC) |
补偿温度 | -10℃~70℃ |
工作温度 | -20℃~120℃ |
长期稳定性 | ≤0.2%FS/年 |


