首页
关于我们
产品中心
压力变送器
压力传感器
温度传感器
温度变送器
压力开关
液位变送器
CNC加工
定制开发
资讯动态
资料下载
联系我们
首页
-
产品类别
智界产品中心
压力传感器
压力变送器
液位变送器
压力开关
温度变送器
温度传感器
CNC加工
智界推荐产品
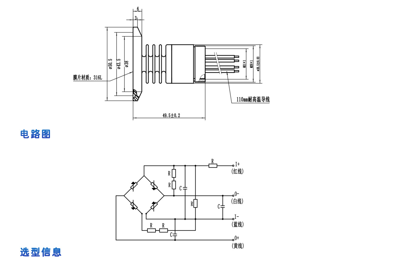
硅压阻式隔离膜压力传感器ZP01
硅压阻式隔离膜压力传感器ZP02
硅压阻式隔离膜压力传感器ZP03
压力变送器ZPM01
READ MORE
硅压阻式隔离膜压力传感器ZP02
全
316L不锈钢外壳
使用德国进口芯片,性能稳定
使用可食用硅油注油,可使用于食品、医疗、药业等行业
无腔平面设计,方便拆卸清洗
全国热线
13389339107
资料下载
产品详情
WhatsApp
WeChat
E-mail